0 Oblíbené příspěvky
0 Mé příspěvky
+14

Diagnostický případ

Opravené vozidlo
Libor Fleischhans
Libor Fleischhans
Jazyk případu:

Padá do nouze na kruhovém objezdu

14.10.2025 | aktualizováno 05.12.2025 11:26:39 15 1076x

Informace o vozidle

VIN: WF02K8GY2MNA16478
Výrobce: Ford
Model: Explorer
Rok výroby: 2021
Kód motoru: 3,0 S-Line Plug-in Hybrid 4WD
Typ motoru: BQWA
Výkon (kW): 267 kW
Převodovka: Automatická
Palivo: Benzín
Najeto: 157 060 km

Jak se závada projevuje

Nefunguje / funguje nesprávně. V levé zatáčce po výkonem přepne do nouzového režimu

Nouzový režim.

Jak často se závada projevuje

  • Trvale přítomná závada.

V jakém systému se závada vyskytuje

  • Motoru.
  • během jízdy
  • [P06A7:00:26] Sensor Reference Voltage "B" Circuit Range/Performance
  • [P2127:00:AF] Throttle/Pedal Position Sensor/Switch "E" Circuit Low
  • [P2451:00:68] EVAP System Switching Valve "A" Stuck Closed
  • trvalá závada
  • sporadická závada

Doposud provedeno bez úspěchu

Různé pokusy autorizovaného servisu, natahování jiných vodičů, výměna pedálu akcelerace, bez úspěchu. Již neví kam dál. Citace z dopisu zákazníkovi: Servis napsal zákazníkovi:
"Níže zasíláme ve stručnosti popis závad průběhu opravy Vašeho vozidla FORD Explorer - závada P2127 -nízká hodnota vstupu obvodu E spínače/snímače polohy škrtící klapky. Provedena kontrola stavu a napětí 12V akumulátoru, ukostření a stavu svorkovnic a kabeláže k pedálu plynu a škrtící klapce, provedeno změření napájení snímače - výměna pedálu plynu závada P067A -rozsah/výkon referenčního napětí B. Provedeno postupné odpojení, nebo přemostění snímačů a ovládacích členů, ovládaných v okruhu referenčního napětí "B". "

Závěr

VOZIDLO JSEM OPRAVIL

Jedna z nejnáročnějších a z nejpracnějších lokalizací v FCD Garage všech dob. Chyba není vůbec v pedálu akcelerace ani v jeho části svazku. Pin B71 je totiž v ECU interně propojený s piny motoru na dvou dalších svorkovnicích jak hlavní svorkovnici A118 (kde je z generátoru stabilizovaného napájení připojeno na referenčním napájení dalších osm snímačů), tak s piny na třetí svorkovnici C, konkrétně na pinu 82, který je také interně v ECU motoru propojen s piny A118 a B71 (jedna dráha snímače polohy pedálu akcelerace), a který přes Joint Connector (rozdvojovací rozdělovač), umístěný ve svazku, napájí další primární snímače tlaku spalin před filtrem částic OPF.

Abychom vyloučili nejdražší a nejsložitější druh opravy v nepřístupném místě a tedy nutnost demontáže agregátu a výměnu svazku za nový, bylo nutné kompletně rozbalit na jednotlivé vodiče hlavní větev svazku vedoucí pod vozidlo a všechna jeho rozvětvení po centimetru zkontrolovat, kudy je trasován vodič z C82 i s jeho rozvětvením z Joint Connectoru do dvou větví hlavního motorového svazku. Toto byla nejnáročnější mechanická práce.

Po kompletním rozbalení jsem našel 6 míst neodborně provedených spojů (letovaných i neletovaných - viz dokumentace) která poškozovala okolní vodiče v hlavním svazku. Po opravě těchto spojů jsem opět připojil větev C82 a tak bylo provedeno několik zkušebních jízd po kruhovém objezdu za různého počasí a různých teplot (od +10 do - 3 °C), všechny zkušební jízdy bez projevu závady. Závěr tedy zněl optimisticky, že nebude nutná demontáž agregátu a výměna celého motorového svazku, ale že ke zkratu docházelo ve svazku právě v místech neodborných oprav vodičů. Neodborné spoje (i jen zakroucené dráty, na dvou spojích dokonce bez pájení, viz fotodokumentace) zkrátily okolní opravované vodiče tak, že při naklonění motoru v levé zatáčce docházelo k napnutí vodičů a následně v kritických místech k průnikům měděných drátků skrz izolaci jiných vodičů a tedy k mžikovým zkratům vodiče napájejícího oba snímače tlaku spalin filtrů částic. Ale protože je řídící jednotka interně propojená s dalšími piny (A118 a B71) zkratovaly tyto neodborné spoje kromě tlaku spalin i dalších 10 snímačů na motoru, včetně inkriminovaného pedálu akcelerace (referenční obvod B). Na vodičích v místě oprav bylo vidět četné vpichy do izolace ostatních vodičů, bylo tedy dílem času a náhody, který další vodič bude zkratován.
Proto se provedl způsob impregnací izolace vodičů proti vlhkosti zaslepením mikro-vpichů průmyslovým lojem a následně byl svazek zbaven pnutí jednotlivých vodičů ve svazku optimalizovaným natrasováním svazku a jeho posílenou izolací v místech jeho upevnění. Všechny spoje byly řádně zaletovány a opatřeny smršťovací ochrannou bužírkou. Během postupného upevňování svazku byly provedeny další 4 razantní testovací jízdy přes vybraný kruhový objezd, opět bez projevu jakékoliv závady. Po finálním svázání všech vodičů do třech svazků a uzle u p.p. podběhu byly provedeny další 3 testovací průjezdy kruhovým objezdem, opět bez projevu závady. Je tedy opraveno. Závadu způsobil zcela jistě autoelektrikář, který před námi doslova zfušoval napojení vodičů ve svazku způsobem, který poškozoval okolní vodiče a celý svazek. Tento elektrikář by měl být svlečen do naha a vláčen 10 minut blátem a špínou za Moskvičem nebo Volhou při 0 °C , nejlépe v zakarpatské Rusi.

Poznámka: Při ohledání celého svazku jsme nabyli dojmu, že ani samotný Ford se s ochranou vodičů v sériové výrobě a při montáži moc nezabývá, protože kolizních míst, kdy se svazky dotýkají kolizních hran je mnoho a bude asi jen otázkou času, kdy se kabelový svazek prodře na jiném místě a asi opět s úplně nesouvisejícím chybovým hlášením nebo projevem závady.

Obrázky, fotografie a soubory

Ford Explorer (20047/1)

K vyvolání závady se na kruhovém objezdu musí jet svižně. Za mokra to vůbec nejde.

Lokalizace závady FCD Loggerem (20047/2)

Chyba nebyla ve škrtící klapce, jak ji servis také popisoval, ale v signálu dráhy potenciometru pedálu akcelerace "E". V momentě zkratu/výpadku (před žlutým pásem) se rozsvítila kontrolka a reakce na pedál byla od tohoto momentu velmi vlažná = NOUZOVÝ REŽIM. Záhy byl pedál sešlapován až do podlahy, což by při 270 kW výkonu nebylo možné, ale auto bylo tupé, už bez akcelerace.

Osciloskop - Kruhový objezd (rychlý průjezd) (20047/3)

Na pedálu akcelerace jsou dva snímače polohy integrované v jednom dílu. Pro bezpečnost vysílá jeden snímač poloviční napětí toho druhého a každý ze snímačů má svoje separátní napájení o referenční hodnotě 5V. Jedno z těchto napájení se v zatáčce okamžitě zhroutí na 0 Voltů. Po 5 ms se pak hroutí samozřejmě i samotný signál polohy.
Jakmile zkrat na napájení 5 Volty (po ukončení zatáčení) pomine, signál se opět po 5 ms vzpamatuje a funguje zase normálně.

Detail jednoho ze zkratů snímaný velmi rychlým vzorkováním (20047/4)

1 = Počátek zkratu/přerušení napájení
2 = Návrat napájení na 5 Voltů s lehkým výkmitem "přeregulace"
3 = Signál se vrací až o 5 ms sekundové inicializaci snímací elektroniky.

Napájení obvodu B snímače pedálu (20047/5)

Červeně označené vedení se dostává v levé ostře projeté zatáčce do napětí 0 V.
Abychom zjistili, zda se jedná o "zkrat" nebo "přerušení", lze propojit obě referenční napájení mezi sebou. V tu chvíli se na kruhovém objezdu objeví závada na obou snímačích, jak "B", tak nyní i v obvodu "A". Takže se jedná o zkrat na kostru, nikoliv o "přerušení"

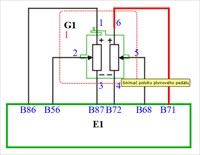
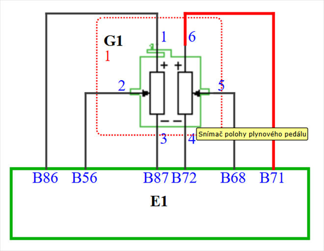
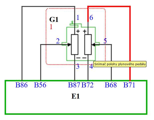
Důležité a nikdo to nedělá: Zdroj 5 V je propojen v ECU i na jiné piny (20047/6)

Schéma ukazuje jen polovinu pravdy: Z B71 není ve skutečnosti "jenom" dráha snímače pedálu "B", ale kontrola vnitřního propojení pinů může prozradit, že ze společného zdroje 5 V je napájeno dalších deset snímačů. Multimetr nastavený na "propípávání" diod prozradil, že s pinem B71 je propojených pinů celkem pět, ale jen dva jsou osazeny kabely na protikusu konektoru kabelového svazku. Jsou to piny A118 na svorkovnici "A" a pin C82 na svorkovnici "C".

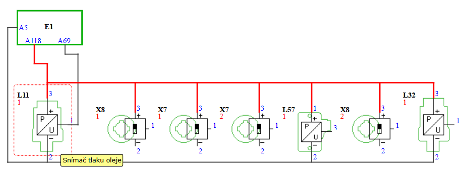
Na jednom napájení (20047/7)

Pin A118 (svorkovnice A), který je propojen s pinem B71 (napájení "B" dráhy pedálu akcelerace) napájí dalších sedm snímačů. Kromě jiného i snímač tlaku oleje. To svádí k myšlence odlévání oleje v levé zatáčce... Je tomu tak?

Svorkovnice "C" a pin 82 (propojený s pinem 71 "B" - pedál "B") (20047/8)

Poslední pin 82 napájí jen jediný komponent - snímač tlaku chladiva, ale to nedává smysl, že by se tenhle snímač projevoval svojí vadou jen v levé zatáčce a jen za tepla a jen když se ta zatáčka dlouho projíždí. Na něj podezření zrovna nepadá.

Potvrzení kolapsu všech snímačů napojených na pin A118 (20047/9)

První snímač polohy pedálu "B" na kanálu 6 (žlutý = kontakt napájení napojený v autě na pedálu). Na kanálu č. 7 (zelený) je napojený na pinu svorkovnice "B71" (ECU motoru) na kanálu č. 7 (zelený).
Na kanálu č. 8 (modrá) je napojená sonda na pinu č. A118 (svorkovnice "A118" ECU motoru).
Výsledek: V levé zatáčce se napětí u všech snímaných "referenčních napájení" zhroutí na 0 V ve stejný moment.
Úvaha: Všech 8 snímačů je "na motoru" a souvislost s "levou zatáčkou" nedává žádný smysl, snad jen, že by se "odléval olej". Vyzkoušíme...

Chování signálu tlaku oleje při zkratu je OK (20047/10)

Samotný snímač tlaku oleje vadný nebude. Tlak oleje je až do momentu "zkratu" (kurzor A) bez známky poklesu. Jakmile referenční napájení naskočí zpět, tak snímač začne fungovat s tlakem ve stejné úrovni jako před zkratem (kurzor B).
Poznámka: Modrá linie (zkratované referenční napájení) ukazuje v době zkratu zápornou hodnotu napětí, což je důkaz, že bude zkratovaný vodič proti kostře vozidla. Do záporu se totiž promítá "dobíjení" proti kostře a proto je níže než referenční kostra snímače posílaná z ECU (červená).

Utajená pavučina (20047/11)

Propojení desítky snímačů "referenčním" napájením. Pedál je napájen z "B71".
B71 je vnitřně propojena s A118, na které "visí" dalších osm snímačů a s C82, ze které jsou napájeny snímače dva.
Plán:
1. Odpojit vodič B71 (od pedálu i od ECU)
2. Potenciometr pedálu napájet z jeho prvního potenciometru, odjet zkoušku:
Výsledek: Na kruhovém objezdu dojde k nouzi, ale za úplně jiného chování motoru. Chyby snímačů všech čtyřech vaček a další chyby. Motor nyní neustále v sekundových cyklech startuje a zase zhasíná, svítí MIL a ještě červeně zarámované varování: "VÁŽNÁ CHYBA - ZASTAVTE NA KRANICI". Po uzamčení a odemčení vozidla se dá pokračovat v jízdě...

3. Odpojit pin 118, na kterém vidí 8 dalších snímačů nelze, protože vůz odmítá nastartovat a rozjet se.

4. Odpojit pin C82 od ECU a zopakovat testovací jízdu.
Výsledek: Na kruháku nejde vyprovokovat nouzový režim ani po deseti objetí dokola. Závada je lokalizována ve větvi primárních snímačů tlaku výfukových plynů před filtrem částic OPF. Oba (levá i pravá řada válců) jsou napájeny z C82 společně, ale bez dalších sousedních snímačů. Naopak zadní snímače (za OPF) mají zase dalších několik spolunapájených sousedů, ale ty se nehroutí a ani nehlásí závadu

Lokalizací jsme bezpečně došli k tomu, že ke zkratu dochází jenom ve vedení od C82 (ECU) k primárním snímačům tlaku spalin před filtry částic OPF na pravé nebo na levé straně. Vzhledem k tomu, že se "nouze" děje v levé zatáčce, očekávám v naději 60:40, že to bude pravá strana válců. Proč ne :-))), tamtudy vede i pohonná hřídel k zadní nápravě a vůbec tam není vidět, natož se tam nějak dostat a zkontrolovat kabelový svazek. Musel by se vyndat celý agregát i s převodovkou...

Chybové hlášení po vypinování pinu C82 na ECU (20047/12)

Tím, že po vysunutí konektoru z pinu C82 nedochází k žádnému přepínání do nouzového režimu, je prokázáno, že všech deset snímačů na B71 a A118 shazuje zkrat právě z tohoto vodiče, který je nyní odpojen. Do nouze ECU nepřepíná, protože signály snímačů tlaku ve výfuku nejsou prioritní a takto "nedůležité" snímače nevnímá jednotka jako nebezpečí pro motor nebo pro posádku a do nouze nepřepne, jen závadu odpojených snímačů zapíše a svítí emisní kontrolka MIL. Auto už do nouze nepadá.

Fotografie z endoskopu (mezírkou asi 30 mm) (20047/13)

Kabelové svazky vedoucí od snímačů tlaku spalin označených č. 11 a č. 21 (primární snímače před OPF) jsou sotva viditelné endoskopem a nepřístupné. Nelze je tedy ani vizuálně zkontrolovat, kde se zkrat nachází, natož pak opravit bez toho, aby se z karosérie demontoval motor i s převodovkou... :-(((

Poškozený kabelový svazek (vedoucí ze svorkovnice "C" ECU motoru (20047/14)

V tomto kabelovém svazku je to poškození, které v levé zatáčce zkratovává dva snímače tlaku spalin před filtrem částic.

Přesné trasování v levé zatáčce zkratovaného vodiče svazkem (20047/15)

Od svorkovnice C z pinu 82 vede vodič do "Join Pointu" na pravém podběhu kola, kde se rozdvojuje a vede do hlavního silného svazku horem pod příčnou vzpěrou tlumičů a otáčí se dolů, do útrob motorového prostoru mezi motor a levou podběhovou stěnu pravého kola a tunelu pro převodovku, kde není téměř žádné místo na jakoukoliv manipulaci. Není tam ani vidět, logicky tedy ani žádný přístup. Je nutné to celé rozebrat, aby se našlo místo, kde se kabelový svazek odírá o nějaké kostřící místo. Toto místo musí být bezpečně lokalizováno, jinak se kabeláž bude prodírat dál a může hrozit i požár vozidla.

Společný "Joint Connector 2" 151-6 (C1191) (20047/16)

K poškození vodiče(ů) dochází mezi "Joint Connector 2" a jedním ze snímačů tlaku spalin před OPF filtrem částic (Bank1 nebo 2 - Sensor 1). Tam však není žádný přístup.

Fušeřina přede mnou - někdo už tu "pracoval" (20047/17)

U svorkovnice "C" je několik podobných spojů, které jsou amatérsky napájené a nekvalitní smršťovací bužírky, které nelepí a jdou normálně stáhnout (nejsou vodotěsné). Toto je také třeba opravit/vyměnit za nový svazek.

Takových spojů je tam více (asi tu byla kuna) (20047/18)

Nekvalitní opravy vodičů.

Tady už někdo byl? (20047/19)

Tohle není originální motání svazku, nebo?

Dnes skončena kontrola na "prodření" (od ECU až po oblouk pod vozidlo) (20047/20)

Dál už svazek kvůli modrohnědému (a pak po Joint-konektoru) a dvěma modrohnědým vodičům bez demontáže rozmotat bez demontáže agregátu nelze. Vycházím ale ze zkoušky na kruhák, že závadu už nelze vyvolat. Budu tedy opravovat "krutisvorky" v instalaci so 30 cm od ECU motoru, kde se spousty vodičů neodborně pájelo (někde spíš nepájelo). Tam by mohla vzniknout měděná jehla s pocínovaným základem a teoreticky by to mohlo být vybočující vlákno měděného lanka s tvrdostí cínem vyztužené jehly, co se z úplně jiného vedení "kostry" propíchla do vedení snímačů. Jdu na to.

Dvě místa činu... (20047/21)

Dva spoje vypadaly takto. Nevím, který z nich propichoval měděnými dráty izolaci vodiče C82 od ECU k "Joint konektoru" a jestli vůbec Izolace na sobě má desítky bodových stop, ale abych určil, která z nich je skrz, to se nedalo 100% zjistit. Svazek jsem tedy natrasoval jednotlivými vodiči jinak a svázal. Projel jsem kruhák zase asi 10 x a chyba je pryč.

Obě "krutisvorky" opraveny (20047/22)

Teď už se o ně nic "nepíchne"...

Tohle není místo činu... (20047/23)

O podobná místa není na Fordu nouze. Budu muset vše, co jsem našel natrasovat jinak a lépe, jinak by to mohla být otázka času, kdy se svazek někde prodře znovu.

Log po opravě (20047/24)

Žádné zkraty ve větvích B71, A118 a C82.

Nově vyvázaný svazek s optimalizovaným trasováním a posílením upevnění (20047/25)

Svazek bez pnutí...

Finální upevnění svazku již s tepelnou ochrannou nohavicí (20047/26)

Finální podoba po opravě hlavního svazku a jeho třech větví.

Komentáře (15)

Petr Dorotovič
( 1 ) 13.11.2025 | 13:24:10

Masakr, krásná práce!

+0

Eči
( 2 ) 13.11.2025 | 15:13:16

No narobili ste sa.
Ale prečo len do ľava? Pripomína mi to časy dinosaurov, keď Žiguláky robili podobné hlúposti v ľavej zákrute. Lenže tam bolo ešte lankové ovládanie plynu a keď sa odtrhol silentblok motora (častý úkaz), motor sa v zákrute naklonil na jednu stranu a stále držal klapku pootvorenú. Nemôže to mať podobnú súvislosť pri náklone motora do jednej strany kedy sa vodiče pritlačia k sebe a vznikne kraťas?

+0

Libor Fleischhans
( 3 ) 14.11.2025 | 09:50:45

Přesně tak mi to připadá, že to bude nějakým prodřeným vodičem...

Toto je odpověď na komentář ( 2 )
+0

Libor Fleischhans
( 4 ) 29.11.2025 | 22:29:11

Tak to už mohu zodpovědět. Ze dvou lajdácky opravených vodičů čuměly roztřepaná měděná lanka, jak pájená, tak nepájená. Povrchově to bylo svázané to bylo jako originál, ale po rozmotání byly tyhle vodiče "opravené" kratší než ostatní ve svazku a tím se i malé vykývnutí motoru na těchto dvou vodičích stalo zesilovačem tlaku měděných roztřepení na izolaci sousedů. Ďůlků tam bylo v okolních vodičích moc a na mnoha vodičích, ale který je skrz, se nedalo dohledat. Takže asi ne o karoserii nebo jiné části motoru, ale asi jen vodiče mezi sebou díky tomu "krutisvorkovému roští". To se uvidí, zda to bude půl roku jezdit bez téhle závady. Pokud se obhjeví to samé, tady nahoře to určitě není (přemotané, prověřené, prohlédnutý každý centimetr, opravené, svazek bez pnutí vodičů).

Toto je odpověď na komentář ( 2 )
+0

David Hanus
( 5 ) 13.11.2025 | 21:22:40

No to bude černá múra pro mechanika kterej to vyndá a nebude nic vidět tohle je tenkej led pro diagnostika kdy nejde testovat přímo snímač protože se na něj nikdo nedostane.Velkej palec a těším
se na foto prodřeného svazku.

+0

Libor Fleischhans
( 6 ) 14.11.2025 | 09:54:41

No, už jsem takhle propípával jednu jednotku ve staré dílně před asi šesti nebo osmi lety. Byl to tuším Ford Transit, co nad 3000 ot/min. zhasínal motor. Byl to taky zkrat v turbu ale hlásilo to jenom snímač vačky. A jelikož chyba vačky má v FC vyšší prioritu, hlásilo to jen jí, jinak by to muselo hlásit všechno, co na tom napájení viselo... To je to úskalí chybových hlášení, že mají priority a na to ostatní kašlou. Je to zavádějící.

Toto je odpověď na komentář ( 5 )
+0

Viktor Janos
( 7 ) 14.11.2025 | 14:44:01

Presne taketo pripady.....sú zaujimave pre diagnostikov! :) Palec hore, ako vždy... Už čokolvek tam nájdu po demontáži, podla oscila je to jasné.. Prepájané 5V sú pecka, hlavne ked to v scheme chyba :) a ešte ako bonus občas je to oddelené, takže to nejde ani "prepipat" v ramci ECU.

+2

Libor Fleischhans
( 8 ) 15.11.2025 | 15:21:55

Jo, přesně, tady je podobný případ ( https://www.fcd.eu/story/9828 ), kdy chyba turbodmychadla generovala chyby na signálu vačkového hřídele. Stopka pro motor vždy jen nad 3000/min.

Toto je odpověď na komentář ( 7 )
+0

David Hanus
( 9 ) 15.11.2025 | 15:53:58

Ten snímač klimatizace a pedál měl společny napájení i megane snímač je tak neštastně že se kabel drbe o příčku nápravnice nebo vyhnije zásuvka a pak si taky stěžuje na pedál ale tam to není takové monstrum.

+0

Libor Fleischhans
( 10 ) 20.11.2025 | 07:27:35

Přesné trasování v levé zatáčce zkratovaného vodiče svazkem. V rozebrané části defekt patrný není.

+1

Libor Fleischhans
( 11 ) 24.11.2025 | 16:41:21

Že by se tut něco v minulosti dělo???

+0

David Hanus
( 12 ) 25.11.2025 | 17:28:34

Já bych se u fordu ničemu nedivil protože jenom ford má schnilej vodič a bužírka je neporušená.Už se našlo to místo?

Toto je odpověď na komentář ( 11 )
+0

Libor Fleischhans
( 13 ) 26.11.2025 | 10:54:37

Tak, až sem to prodřené není. Závada ale zmizela. Budu hledat dál, viz text k tomuto obrázku...

+0

Libor Fleischhans
( 14 ) 29.11.2025 | 22:17:52

Víkend jsem věnoval trasování svazku s jiným uspořádáním vodičů a izolování. Ještě před definitivním finálním svázáním a upevněním jsem to jel na kruhák projet a bez projevu závady. Tak to dovážu a auto bude na předávku. Uff...

+0

Libor Fleischhans
( 15 ) 05.12.2025 | 11:26:37

Finále - případ doplněn o obrázky (dokumentace opravy) a o text, jak se to opravilo, včetně popisu příčiny.

+0