Za chybu pedálu plynu může napájení snímače ve výfuku

11.11.2025 22:38 • aktualizováno 12.11.2025 22:02
blog FCD Logger HaynesPro Texvik
Blog image
363×
0
2 0 0 0
Jazyk příspěvku: 2162

Autorizovaný servis Ford 200 km od nás si se závadou nevěděl rady. Co všechno se dělalo?

Servis napsal zákazníkovi:
"Níže zasíláme ve stručnosti popis závad průběhu opravy Vašeho vozidla FORD Explorer - závada P2127 -nízká hodnota vstupu obvodu E spínače/snímače polohy škrtící klapky. Provedena kontrola stavu a napětí 12V akumulátoru, ukostření a stavu svorkovnic a kabeláže k pedálu plynu a škrtící klapce, provedeno změření napájení snímače - výměna pedálu plynu závada P067A -rozsah/výkon referenčního napětí B. Provedeno postupné odpojení nebo přemostění snímačů a ovládacích členů, ovládaných v okruhu referenčního napětí B..." Konec citace...

Zastavil jsem se u věty "Provedeno postupné odpojení nebo přemostění snímačů a ovládacích členů, ovládaných v okruhu referenčního napětí B..." ..to přece nemohl psát někdo, kdo naší profesi rozumí!!!
Vždyť "Snímače" a "Ovládací členy" nejsou NIKDY!!!, opakuji NIKDY ovládány společně na jakémkoliv referenčním okruhu ať je to "A" nebo "B"!

Dobře, dnes vyráběná auta už nemají dva dráty k zapalování, dva k dobíjení a osm k žárovkám vepředu a vzadu, ale řídící jednotky se svorkovnicemi s dvěma stovkami kontaktů a tlusté kabelové svazky, kde vede třeba i šedesát drátů někam do útrob motoru a příslušenství. Takže se "automechanici", jak se ve školách často rádo popvyšuje toto řemeslo na "mechatroniky" nebo "autotroniky" (promiňte, jestli se v názvu pletu...),  MUSÍ vyznat v tom co opravují a mají se sakra co nového učit! Apel ke značovým autoservisům a k jejich "servisní podpoře": Vyhlašuji alarm nejvyšší naléhavosti směrem k zodpovědným šéfům, kteří tvoří dílenské příručky pro výrobce aut a k odborným týmům, které mají na starosti opravny a mají za úkol podporovat mechaniky jejich servisní sítě při hledání závad: Probuďte se a podívejte se, jak se dělá současné řemeslo! Chybovým hlášením a statickým měřením je odzvoněno! Vaše "ŘÍZENÉ HLEDÁNÍ ZÁVAD" ve značkové diagnostice je doslova pro kočku a nikam nevede! Pokud se nezačnou nasazovat moderní rutiny, nezbaví se značkové servisní sítě puncu amatérů (až na výjimky, kterým se tímto omlouvám!!!), kteří netuší, jak efektivně závadu zmapovat, lokalizovat a úspěšně a na první pokus i opravit!

Nyní vám stručně ořezaným popisem přiblížíme, jak by takové hledání závad mělo vypadat a jak by měl postupovat každý autorizovaný servis! Ovšem za přepokladu, bude-li jeho diagnostické vybavení odpovídat složitosti toho, co je dnes pod kapotami široké palety výrobní produkce. Tady je takový jednoduše, i pro laiky, podaný náhled na postup odhalení jedné jediné závady pedálu akcelerace:

P.S: Prostudujte si i do detailu samotný diagnostický případ v souvisejícím odkazu do archívu případů.


Obrázky, fotografie a soubory (11)

Jak se to nemá dělat... (2162/1)

Nevím, ale s největší pravděpodobností ani učitelé ve školách, ale ani výrobci ve svých dílenských příručkách nevyučuji/neupozorňují na to, že pokud schéma pedálu akcelerace vypadá takto, tak se dívají jen na 10 % možných míst, kde se může vyskytovat problém...

Co používají sotva 2 % autorizovaných značkových autoservisů (2162/2)

Protože velmi málo značkových diagnostických přístrojů nabízí pořízení záznamu z jízdy (tzv. "logu"), vyvinula naše FCD Garage svůj vlastní FCD Logger. Ten dokáže z jízdy za určitých předepsaných režimů provozu vozidla nahrát a analyzovat funkci většiny systémů a komponent elektronického řízení motoru. Zde si všimněte červené šipky, která označuje chybu nízké hodnoty polohy pedálu akcelerace, nikoliv škrtící klapky, kde závadu hledal autorizovaný servis.

Bypass referenčního napětí a vyřazení podezřelého vodiče (2162/3)

Pokud je v paměti závad chyba PEDÁLU AKCELERACE OBVOD "B", musíme nejprve zjistit, který ze dvou snímačů pedálu hlásí na napájení chybu, abychom daný vodič ze svorkovnice vyřadili a nahradili jej napájením z referenčního obvodu "A", tedy hned od jeho souseda...

Takto vypadá protažení "Bypassu" svorkovnicí (2162/4)

Po nasazení svorkovnice námi protažený žlutý vodič (č. 6 na svorkovnici) propojíme s konektorem ve slotě č. 1 (referenční obvod "A"). Modrý vodič (podezřelý ze zkratu) necháme viset volně mimo svorkovnici.

Vyřazení vodiče i z druhé strany, tedy u ECU motoru (2162/5)

Modrý vodič (referenční obvod "B") vyřadíme i ze svorkovnice na řídící jednotce a necháme ho volně viset zcela bez kontaktu s elektrickou kabelovou sítí. Podezřelý snímač polohy si už napájíme přece z jeho sousedního snímače polohy u pedálu. Pokud se chyba bude vyskytovat nadále, chyba v tomto nyní "vysvorkovaném" vodiči být nemůže.

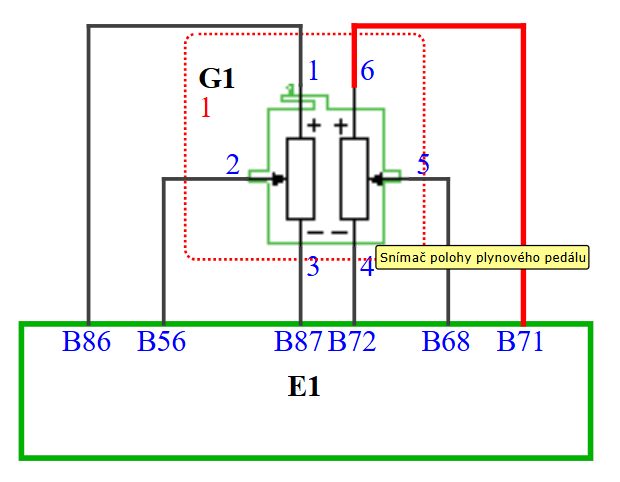
Při identifikaci závady "referenčního napájení pedálu plynu" je třeba... (2162/6)

..v první řadě najít, zda není tenhle kontakt interně v řídící jednotce propojený s jinými kontakty, protože se musí prověřit "VŠECHNA PROPOJENÁ REFERENČNÍ NAPÁJENÍ". A těch jsme zjistili celkem dalších deset!

Proměřením pinů na všech svorkovnicích je situace rázem jiná (2162/7)

Obvod referenčního napájení "B" snímače pedálu akcelerace vede ke pinu B71, ale ten je interně (uvnitř řídící jednotky) propojen s pinem A118, ze kterého je napájeno dalších 8 (!!!) snímačů a s pinem C82 další, třetí svorkovnice, která napájí další dva z celkem čtyř snímačů tlaku ve výfuku. Celkem ve hře na hledání závady je tedy 10 dalších snímačů a jejich vodičů roztroušených v kabelovém svazku po celém motorovém prostoru i pod vozidlem.

Oscilogramy z pinů A118 a C82 (2162/8)

I přes vyřazení vodiče obvodu "B" na pedálu, se na pinech A118 a C82 objevuje v ostré levé zatáčce stále ten původní zkrat na kostru. Řídící jednotka už nehlásí chybu pedálu, protože jsme ho "bypassem" z obvodu "B" úmyslně vyřadili a nyní jsou oba snímače napájeny z jednoho obvodu "A". Chyba pedálu se sice už neobjevuje, ale objevuje se chyba všech čtyřech snímačů polohy vačkových hřídelů, které jsou napájeny z pinu A118. Ten je zatím ještě ve zkratu se všemi ostatními vodiči ke zmíněným deseti snímačům.

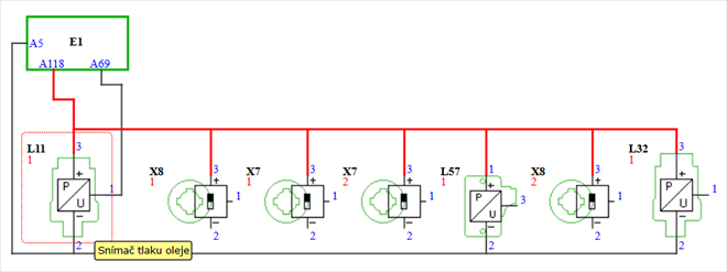
Přehled všech podezřelých, tedy snímačů a jejich vodičů (2162/9)

Tyhle všechny snímače by mohly napájení pedálu skolit také, ale ty jsou všechny umístěny na motoru a chybí důvod, proč by to dělaly právě jenom v levé ostré zatáčce. Tady problém asi nebude... Nebo snad snímač tlaku oleje, když se v zatáčce odlije olej ve vaně?

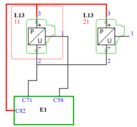
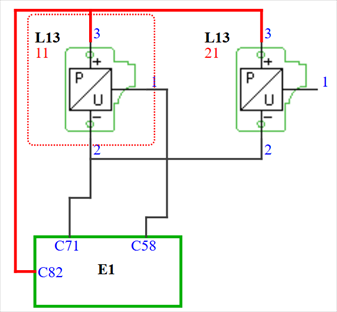
Snímače tlaku 11 a 12 před filtrem částic v obou výfucích (2162/10)

Na posledním, s pedálem akcelerace propojeným pinem B71, "visí" na společném referenčním napájení na pinu C82 dva snímače tlaku ve výfuku. Není tedy nic snazšího, než z tohoto pinu C82 odpojit napájecí vodič vysvorkováním ze svorkovnice "C" na straně ECU motoru. V tuto chvíli se sice objevuje nová, permanentní chyba obou snímačů, ale chyba s přepnutím jednotky do nouzového režimu se v levé ostré zatáčce již neobjevuje... Auto jezdí s jedinou vadou na kráse, že svítí emisní kontrolka MIL kvůli odpojeným snímačům tlaku ve výfuku... Máme tedy viníka!

Nepřístupné snímače tlaku a jejich kabelové svazky (Foto - Endoskop) (2162/11)

Nejhorší zpráva dne: Abychom odhalili místo poškození jednoho z kabelových svazků snímačů tlaku spalin, bude možná muset motor i s převodovkou ven... Skulinou širokou sotva 30 mm nejde ani rozpojit konektor, natož pak zkontrolovat kabeláž v jejich okolí...

Komentáře (0)